Hoe zorg je voor een optimaal werkende voeding?
Vijf aandachtspunten voor power engineers
Wil je op je gemak de complete white paper doorlezen?
INLEIDING
Voedingen (AC/DC) zijn onmisbaar voor de werking van elektronische apparaten. Dit belangrijke onderdeel zet de elektrische energie afkomstig van bijvoorbeeld het spanningsnet (230VAC) om in een voor het toestel bruikbare spanning, bijvoorbeeld 24VDC voor een programmable logic controller (PLC).
In andere situaties moet bijvoorbeeld een gelijkspanning van een autobatterij (12VDC) met behulp van een converter (DC/DC) worden omgevormd naar een andere waarde, zoals 48VDC, een spanning die in de nieuwste auto’s wordt gebruikt voor de elektrische ramen. Een DC/DC-converter kan ook zorgen voor een stabiele spanning, om te voorkomen dat een batterijspanning bijvoorbeeld bij een toenemende belasting of bij dalende temperatuur in elkaar zakt. Ook kan een DC/DC-converter een galvanische scheiding aanbrengen om gevoelige en dure elektronica aan de uitgang te beschermen tegen ‘stootjes’ zoals piekspanningen aan de ingang.
Zonder voedingen of converters brandt er geen ledverlichting, rijden de treinen niet, maalt de koffiemachine geen bonen en kunnen we niet naar de radio luisteren of televisie kijken. Een ondoordacht gebruik van voedingen kan echter ook voor grote problemen zorgen. Wie bij het ontwerp van een apparaat geen rekening houdt met bijvoorbeeld inschakelstromen, piekstromen, lekstromen of de warmteontwikkeling in de behuizing, loopt het risico dat een toepassing niet voldoet aan de geldende standaarden of helemaal niet functioneert.
Falende voedingen zorgen helaas geregeld voor storingen. Zo blijkt uit een onderzoek van Zerto, een specialist op het gebied van ‘disaster recovery’, dat binnen IT-omgevingen ruim 30 procent van de hardwarefouten wordt veroorzaakt door de voedingen. Verlies van data, productiviteit en uiteindelijk omzet kan het directe gevolg zijn van een dergelijke storing.
In veel gevallen zijn storingen door falende voedingen echter te voorkomen door al tijdens het ontwerp van een apparaat rekening te houden met de eisen die worden gesteld aan de voeding. Waar moet je als engineer rekening mee houden? In deze white paper zetten we 5 belangrijke aandachtspunten op een rij en geven we daarbij tips die bijdragen aan een feilloze werking.
SOORTEN VOEDING
De meeste engineers zullen bekend zijn met de werking van de ‘power supply’ en de voor- en nadelen van de verschillende typen voeding. Om de uitdagingen op het gebied van de voeding goed te begrijpen, kan het echter geen kwaad om nog even terug te gaan naar de basis. Hoe hebben voedingen zich door de tijd heen ontwikkeld? En welke typen onderscheiden we op hoofdlijnen?
LINEAIRE VOEDINGEN
Bij lineaire voedingen zorgt een trafo voor het aanpassen van de hoge ingangsspanning naar een werkbare, lagere uitgangsspanning. Daarna volgt een gelijkrichterbrug met diodes en de afvlakking. Het regelen of stabiliseren van de uitgangsspanning ten slotte gebeurt door middel van een regelcircuit, bijvoorbeeld een shuntregelaar die het verschil in spanning opvangt.
Lineaire voedingen zijn groot en zwaar, omdat ze op de frequentie van het lichtnet werken. Ook hebben ze een laag rendement, waardoor ze veel warmte produceren. Door deze nadelen worden lineaire voedingen steeds minder toegepast. Het voordeel van dit type voeding is het kunnen leveren van een zeer stabiele en nauwkeurige spanning. Hierdoor zijn lineaire voedingen nog altijd aantrekkelijk voor toepassing in bijvoorbeeld meetinstrumenten.
SCHAKELENDE VOEDINGEN
In een ‘Switched-Mode Power Supply’ (SMPS) ontvangt een transistor een stuursignaal op zeer hoge frequentie, 100 kHz of zelfs veel meer. Dit is de schakelfrequentie. De periode is dus zeer kort en in deze periode wordt de transistor voor lange of minder lange tijd in geleiding gebracht. De transistor ontvangt met andere woorden een PWM (Pulse Width Modulation)-stuursignaal met een variërende ‘duty cycle’ (de verhouding van de aan-tijd tot de periode). Als bijvoorbeeld bij een toenemende belasting de spanning in elkaar dreigt te zakken, zal de transistor een PWM-signaal ontvangen met een grotere duty cycle. Hierdoor blijft de transistor langer in geleiding en wordt er meer energie doorgestuurd van de in- naar de uitgang. Als gevolg daarvan zal de uitgangsspanning ogenblikkelijk weer stijgen tot de gevraagde waarde, bijvoorbeeld 24VDC, en dus stabiel blijven bij een variërende belasting.
Het grote voordeel van schakelende voedingen is dat dankzij de schakelfrequentie, die veel hoger ligt dan bij een lineaire voeding, de capaciteiten of inductanties veel kleiner mogen zijn om hetzelfde effect, dezelfde reactantie te krijgen. De benodigde componenten en de transformator van een
geschakelde voeding zijn daardoor een stuk compacter dan bij een lineaire voeding, terwijl het rendement veel hoger ligt. Nadelen zijn er echter ook. De hoge schakelfrequentie zorgt nog steeds voor schakelverliezen.
![]() |
Figuur 1. Vermogensverlies
Daarnaast zijn elektrische storingen – de zogenaamde Electro Magnetic Interference (EMI) – bij dit type voeding onvermijdelijk. Grotere piekspanningen en -stromen zorgen bovendien voor stress op en daardoor voor slijtage van de componenten. Door de diodes te vervangen door MOSFET’s die in paren
van twee worden op- en afgeschakeld, zijn de schakelverliezen te beperken. Dit wordt synchrone gelijkrichting genoemd.
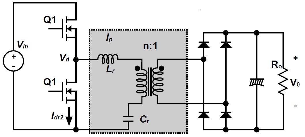
RESONANTE CONVERTERS
Net voor de transformator wordt een resonante tank geplaatst waarin sinusoïdale spanningen en stromen opgewekt worden. Dit maakt ‘soft switching’ mogelijk. Het aan- of afschakelen kan dan gebeuren op momenten waarop de spanning of de stroom nul is. Dit wordt ook wel Zero Voltage Switching (ZVS) of Zero Current Switching (ZCS) genoemd. De verliezen zijn bij dit soort omzetters minimaal, onder de ideale omstandigheden zelfs nul, vooral als met SIC MOSFET’s wordt gewerkt. Het op- en afschakelen gebeurt nu bij een vaste duty cycle van 50 procent (de aan-tijd is gelijk aan de af-tijd) maar bij een variërende frequentie die afhankelijk is van de richting waarin de uitgangsspanning bijgeregeld dient te worden. Nadeel is dat het schema van een resonante omzetter een stuk complexer is dan dat van een schakelende voeding. Omdat er geen vaste schakelfrequentie is, wordt ook het filter complexer.
![]() |
Figuur 2. Werking van een resonante converter
AANDACHTSPUNTEN
Veruit de meeste elektronische apparaten maken vandaag de dag gebruik van schakelende voedingen, vaak in combinatie met PWM. De resonante onverter is duurder en complexer. Dit type converter wordt vooralsnog gebruikt voor high-end toepassingen. Zeker als het minimaliseren van de schakelverliezen belangrijk is, kan de resonante converter – desgewenst met SIC MOSFET’s - een logische keus zijn.
In alle gevallen geldt dat de voeding een belangrijk aandachtspunt is tijdens het ontwerp van een apparaat, of het nu gaat om een industriële machine of verlichting. Waaraan moet een voeding voldoen, gelet op bijvoorbeeld de behuizing, de omgevingsfactoren en de geldende standaarden? In de volgende hoofdstukken staan we achtereenvolgens stil bij:
- Electro Magnetic Interference
- Inschakel- en piekstromen
- Vermogensdichtheid en thermisch beheer
- Beveiliging tegen hoge stroomafnames
- Certificeringen
ELECTRO MAGNETIC INTERFERENCE
Het vermogen dat wordt opgenomen uit het lichtnet is de verhouding van het uitgangsvermogen tot het product van het rendement met de arbeidsfactor, oftewel de ‘power factor’. Deze arbeidsfactor is op zijn beurt het product van twee arbeidsfactoren: de arbeidsfactor als gevolg van een faseverschuiving tussen spanning en stroom enerzijds (bijvoorbeeld door het iedere ochtend opstarten van zware motoren die een grote inductieve belasting vertegenwoordigen) en de arbeidsfactor die het gevolg is van een vervorming van de stroom die uit het lichtnet wordt opgenomen.
Met deze laatste vorm van ‘vervuiling’ op het lichtnet – oftewel de Electro Magnetic Interference (EMI) – hebben we te maken bij schakelende voedingen.
![]() |
Figuur 3. Cos Phi
![]() |
Figuur 4. Arbeidsfactor door vervorming
Het gevolg is dat er te veel blindstroom is of reactief vermogen. Hierdoor moeten de elektriciteitsleveranciers meer vermogen leveren dan nodig is en dikkere kabels voorzien om ook de blindstroom te transporteren die verder niet bijdraagt aan het nuttig vermogen. In Europa beoogt de EN 61000-3-2 de ‘vervuilers’ van het lichtnet aan te pakken door het gebruik van voedingen met Power Factor Correction (PFC) af te dwingen. PFC moet ervoor zorgen dat zowel de even als oneven harmonischen onder een bepaald niveau blijven. Daardoor gaat de uit het net opgenomen stroom weer meer op een sinus lijken, komt de vervormingsfactor dus dichter bij 1 te liggen en wordt de blindstroom beperkt.
Naleving van de standaard is in de EU verplicht wanneer een apparaat tussen de 75W en 1000W aan vermogen onttrekt aan het lichtnet. Een grote groep apparaten valt binnen deze categorie, van computers en koelkasten tot televisies, kassasystemen en bewakingscamera’s. Bij verlichting ligt de ondergrens zelfs op 25W, omdat er vaak tientallen drivers worden aangesloten op één groep. Het niet volgen van deze EN 61000-3-2 kan voor een fabrikant van apparatuur verstrekkende gevolgen hebben. In steeds meer sectoren nemen klanten PFC op in hun specificaties. Geen voeding met PFC toegepast? Dan komt het desbetreffende product er niet in. Er zijn twee manieren om de power factor aan te passen en dus het blindvermogen terug te dringen:
PASSIEVE PFC
Hierbij wordt aan de ingang een vertragende spoel geplaatst. Dit zorgt ervoor dat de stroom gaat naijlen en meer op een sinus begint te lijken. De harmonischen worden dus gereduceerd, evenals het blindvermogen.
ACTIEVE PFC
Bij deze vorm zorgt een elektrisch circuit met transistors en diodes ervoor dat er een nagenoeg perfecte sinus uit het net wordt opgenomen. De arbeidsfactor is weliswaar nog licht afhankelijk van de ingangsspanning en de belasting, maar toch nagenoeg gelijk aan 1. Aan een voeding met actieve PFC hangt wel een hoger prijskaartje.
![]() |
Figuur 5-7. Ingangstroom zonder (L), met passieve (M) en actieve (R) PFC
INSCHAKEL- EN PIEKSTROMEN
Bij het inschakelen van een schakelende voeding ontstaan als gevolg van de lege condensatoren korte en hoge inschakelstromen die kunnen oplopen tot 50A of zelfs nog meer. Deze inschakelstromen duren een fractie van een seconde en leveren daarom geen gevaarlijke situaties op. Opwarming van de draden is niet mogelijk in zo’n korte tijd. Als er bij het ontwerp geen rekening is gehouden met de inschakelstromen, bestaat echter wel het risico dat de zekeringautomaten het begeven en de toepassing zonder spanning komt te zitten. Dit kan op meerdere manieren worden voorkomen.
TRAGE AUTOMATEN
Door ‘trage automaten’ toe te passen. Zo kan een automaat met een ‘B-karakteristiek’ 3 tot 5 maal de nominale stroom aan en is daarmee bijvoorbeeld geschikt voor de gangbare huishoudelijke apparatuur. Automaten met een ‘C-karakteristiek’ kunnen 5 tot 10 maal de nominale stroom aan en zijn aan te bevelen als er sprake is van middelgrote inschakelstromen of wanneer meerdere voedingen aangesloten zijn op eenzelfde groep. Automaten met een ‘D-karakteristiek’ zijn met name bedoeld voor gebruik in industriële omgevingen.
![]() |
Figuur 8. Trage automaten
PASSIVE INRUSH CURRENT LIMITATION ( ICL )
Hierbij absorbeert een elektrische weerstand (NTC) de inschakelstroom. Dit is een goedkope oplossing die betrekkelijk eenvoudig is te realiseren. Nadeel is dat bij grotere vermogens de vermogensverliezen te groot worden als de weerstand altijd in serie staat met de belasting. Bovendien is deze Passive Inrush Current Limitation ook minder geschikt wanneer de voeding continu op- en afgeschakeld wordt. Na een aantal keren schakelen is de weerstand namelijk opgewarmd en biedt deze geen beveiliging meer.
ACTIVE INRUSH CURRENT LIMITATION
Hier wordt gebruikgemaakt van een vaste weerstand die nu temperatuuronafhankelijk is. De weerstand wordt overbrugd door een schakelende halfgeleider. Wanneer zich een stroompiek voordoet – bij opstart maar ook in bedrijf – zal de halfgeleider openschakelen, zodat de stroom sowieso beperkt wordt door de weerstand. Als de piek voorbij is, schakelt de halfgeleider dicht om nutteloze dissipatie in de weerstand te vermijden. Deze oplossing is uiteraard weer duurder.
Een piek in het stroomverbruik kan ook andere oorzaken hebben dan het inschakelen van het apparaat en kan ook langer dan een fractie van een seconde duren. Bijvoorbeeld een koffiemachine die bonen gaat malen, heeft voor een aantal seconden behoefte aan een hogere ‘stroom’. In die gevallen is het gebruik van een voeding met een ‘peak power feature’ het overwegen waard. Zo zijn er voedingen op de markt die zijn gemaakt voor het leveren van 10A maar 18A aankunnen. Wel moet men ervoor zorgen dat de duty cycle van de piekstroom een bepaalde waarde niet overschrijdt en de gemiddelde stroom niet hoger wordt dan de nominale.
VERMOGENSDICHTHEID EN THERMISCH BEHEER
Grote vermogens komen in steeds kleinere behuizingen. Zo zijn er converters op de markt die 250W leveren in een behuizing niet groter dan een ‘half brick’, en dat met een ingangsbereik van 16-160VDC. Compacte behuizingen maken het echter ook lastiger om vermogensverliezen in de vorm van warmte af te voeren, met gevolgen voor onder andere de levensduur van de componenten. Een veelgebruikte regel -gebaseerd op de vergelijking van Arrhenius- is dat als de temperatuur met 10 graden stijgt, de levensduur van de elektronische componenten halveert. Een te hoge temperatuur zorgt er ook voor dat de voeding in beveiliging gaat. Een goed thermisch beheer is dan ook van cruciaal belang. Al tijdens het design moet rekening worden gehouden met de warmteontwikkeling, zodat direct voor de juiste voeding kan worden gekozen.
BELANGRIJKE VRAGEN TIJDENS HET ONTWERPPROCES:
- Wat is de temperatuur op 1 tot 3 centimeter boven de voeding?
- Wat is de omgevingstemperatuur? Komt het apparaat in Noorwegen of in Dubai te staan? De uiteindelijke locatie heeft een grote impact op het thermisch beheer.
- Hoe ziet de behuizing eruit? Biedt die voldoende mogelijkheden om warmte af te voeren? In een waterdichte IP67-behuizing loopt de temperatuur nog verder op.
- Is er een metalen wand om de voeding tegenaan te schroeven?
- Zijn er mogelijkheden om een fan in te bouwen? Met welke geforceerde koeling kan er rekening gehouden worden?
- In welke stand wordt de voeding gemonteerd, b.v. horizontaal of verticaal?
BEVEILIGING TEGEN HOGE STROOMAFNAMES
Als een motor ‘sputtert’ bij opstarten, is vaak niet voor de juiste beveiliging tegen te hoge stroomafname gekozen. Met een ‘Foldback Current Limiting’ is de voeding vaak niet in staat om de benodigde stroom te leveren – tenzij de voeding overgedimensioneerd werd – waardoor de overstroombeveiliging inschakelt en de voeding afschakelt. De motor probeert weer op te starten waarna exact hetzelfde gebeurt. De motor sputtert maar start niet op. Het telkens opnieuw opstarten veroorzaakt een tikkend geluid dat typerend is voor een ‘hiccup-karakteristiek’.
Het plaatsen van een grotere voeding zou een oplossing kunnen bieden maar is niet altijd gewenst, bijvoorbeeld door ruimtegebrek of een beperkt budget. ‘Constant Current Limiting’ is in die situaties een betere optie. Na overschrijding van de maximale stroom zakt de uitgangsspanning weliswaar heel even door de knieën, maar de benodigde stroom wordt wél geleverd en de spanning herstelt zich meteen tot de gevraagde waarde, bijvoorbeeld 24VDC.
Figuur 9. Foldback Current Limiting
Figuur 10. Constant Current Limiting |
CERTIFICERINGEN
Een belangrijke vraag tijdens de selectie van een voeding is: naar welke landen wordt het toestel uitgevoerd? Is er sprake van export naar de Verenigde Staten? Dan zal de voeding qua veiligheid en EMC moeten voldoen aan de eisen van de Underwriters Laboratories. Is UL Recognized voldoende of heeft men UL Listed nodig? Of zijn er plannen voor uitvoer naar Duitsland en China? Dan zijn respectievelijk de TÜV-, EAC- en CCC-keurmerken van toepassing.
Certificering voor een nationaal keurmerk is een kostbare aangelegenheid. De kosten voor een enkel traject kunnen al snel 10.000 dollar bedragen. Wordt een product naar bijvoorbeeld 10 landen geëxporteerd, dan is het goedkoper om een certificeringstraject voor een Certified Body (CB)-keurmerk te doorlopen. Een dergelijk traject kost weliswaar ongeveer evenveel als een enkel traject, maar een CB-keurmerk wordt vaak internationaal geaccepteerd.
Zijn toch expliciet de keurmerken van de verschillende landen nodig, ook dan levert een CB-rapport een kostenvoordeel op. Bij het voorleggen van een CB-rapport worden de kosten per land vaak gereduceerd van 10.000 dollar tot ongeveer 3000 dollar. Die 3000 dollar zijn louter de administratieve kosten die de verschillende keuringsinstanties in rekening brengen voor het verstrekken van hun keurmerk na het evalueren van het CB-rapport.
CONCLUSIE
Alle elektrische apparaten hebben een of meerdere voedingen of converters nodig. Ze kunnen niet zonder. De selectie van de juiste voeding is echter zeer belangrijk. Een voeding die niet optimaal is afgestemd op het design van het product zorgt onvermijdelijk voor powerproblemen.
Die powerproblemen kunnen verstrekkende gevolgen hebben. Een apparaat dat het lichtnet te ernstig vervuilt, wordt door klanten mogelijk niet geaccepteerd. Is er onvoldoende rekening gehouden met inschakel- en piekstromen? Dan functioneert een apparaat, machine of applicatie wellicht helemaal niet. Deze problemen zijn te voorkomen door al vroeg in de ontwerpfase goed na te denken over wat de juiste voeding is voor de toepassing.







